【產品用途】
SD341X法蘭式伸縮蝶閥具有自動補償管道熱脹冷縮方便裝卸的功能,使用于溫度在425℃以下,公稱壓力在1.6MPa以下的石油、化工、電力、造紙、給排水和市政建設等工業管道上作調節流量和載斷流體的裝置。
【閥門型號】
法蘭式伸縮蝶閥常見的型號有:sd341x、sd341x-6、sd341x-10、sd341x-16、sd641x、sd641x-10p、sd941x、sd341f、sd641f、sd941f、sd341h、sd641h、sd941h等。
【產品特點】
1、結構獨特,設計靈活,重量輕,省力,啟閉迅速。
2、伸縮蝶閥不僅能補償管道溫差縮產生的熱脹冷縮的功能,還能為維修閥門安裝更換提供方便。
3、密封部位可調節更換,密封性能可靠。
【結構示意圖】

【安裝注意事項】
伸縮蝶閥安裝前必須平放,切勿隨意磕碰,運行時嚴禁將支架卸掉。
伸縮蝶閥出廠時結構長度為最小長度,安裝時,拉至安裝長度(即設計長度)。
當管道間長度超過伸縮閥安裝長度時,請調整管道間隔,切勿強行拉伸縮蝶閥,以免損壞蝶閥。
伸縮蝶閥可在任意安裝,做溫度補償用時,在管道安裝完成后,需沿管道軸線方向兩端加支架,防止伸縮閥伸縮管拉出。
【性能參數】
| 工作壓力(MPa) | 0.6 | 1.0 |
| 適用溫度(℃) | ≤120 | 依各種不同膠種而定 | ≤120 |
| 適用介質 | 水、污水、油品、空氣等 | 依各種不同膠種而定 | 水、污水、油品、空氣等 |
| 材料 | 閥體 | 灰鑄鐵 | 灰鑄鐵 | 球墨鑄鐵 |
| 蝶板 | 球墨鑄鐵(表面處理) | 球墨鑄鐵、不銹鋼 | 球墨鑄鐵 |
| 閥桿 | 2Cr13 | 不銹鋼、碳素鋼 | 鉻不銹鋼 |
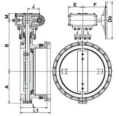
【主要外形尺寸】
| DN | L | L1 max | A | B | E | F | J | M | Do |
| 50 | 160 | 172 | 83 | 120 | 90 | 205 | 83 | 115 | 200 |
| 65 | 160 | 172 | 89 | 145 | 90 | 205 | 83 | 115 | 200 |
| 80 | 180 | 195 | 98 | 158 | 90 | 205 | 83 | 115 | 200 |
| 100 | 195 | 215 | 110 | 170 | 90 | 205 | 83 | 115 | 200 |
| 125 | 205 | 225 | 123 | 182 | 90 | 205 | 83 | 115 | 200 |
| 150 | 205 | 225 | 140 | 210 | 90 | 205 | 83 | 115 | 200 |
| 200 | 218 | 238 | 170 | 238 | 90 | 205 | 83 | 115 | 200 |
| 250 | 233 | 258 | 195 | 270 | 90 | 205 | 83 | 134 | 250 |
| 300 | 248 | 268 | 222 | 300 | 90 | 205 | 83 | 134 | 250 |
| 350 | 278 | 303 | 252 | 330 | 120 | 265 | 141 | 159 | 250 |
| 400 | 298 | 323 | 285 | 368 | 120 | 265 | 141 | 159 | 250 |
| 450 | 311 | 336 | 310 | 402 | 185 | 250 | 115 | 163 | 250 |
| 500 | 330 | 355 | 337 | 438 | 185 | 250 | 115 | 163 | 315 |
| 600 | 350 | 375 | 393 | 490 | 245 | 400 | 145 | 185 | 315 |
| 700 | 364 | 395 | 450 | 558 | 245 | 400 | 145 | 185 | 315 |
| 800 | 415 | 445 | 515 | 625 | 310 | 460 | 191 | 220 | 315 |
| 900 | 435 | 475 | 560 | 685 | 310 | 460 | 191 | 220 | 400 |
| 1000 | 510 | 550 | 610 | 750 | 410 | 55 | 270 | 255 | 400 |
| 1200 | 590 | 630 | 825 | 880 | 410 | 55 | 270 | 255 | 400 |
| 1400 | 590 | 630 | 840 | 987 | 520 | 640 | 351 | 320 | 400 |
| 1600 | 626 | 660 | 960 | 1158 | 520 | 785 | 440 | 335 | 630 |
| 1800 | 670 | 710 | 1060 | 1258 | 520 | 640 | 351 | 320 | 400 |
| 2000 | 680 | 720 | 1165 | 1365 | 520 | 640 | 351 | 320 | 400 |
| 2200 | 700 | 740 | 1325 | 1470 | 520 | 640 | 351 | 320 | 400 |
注釋:1、表中閥門數據是在PN1.0MPa下;2、表中閥門重量為鑄鋼閥門重量;3、閥門材料可根據客戶要求制造。
聲明:本文中所有文字、數據、圖片均只適用于參考,性能參數、結構尺寸參數、液動蝶閥價格等詳情,請聯系我們,電話:021-59170722!