【產品用途】
中線法蘭蝶閥型號有:D41X、D341X、D641X、D941X,中線法蘭蝶閥公稱壓力≤1.6MPa的食品、醫藥、化工、石油、電力、輕紡、造紙等給排水、氣體管道上作調節流量和截流介質的作用。
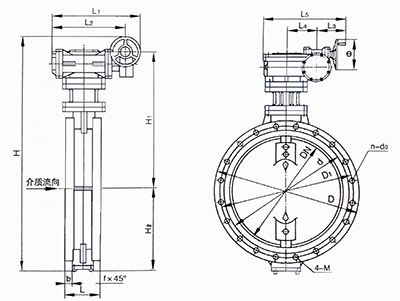
【結構示意圖】

【閥門型號】
常見的法蘭中線蝶閥具體型號有:d341x-10、d341f-10、d341x-16、d341f-16、d641x-10、d641f-10、d641x-16、d641f-16、d941x-10、d941f-10、d941x-16、d941f-16等。
【產品特點】
1、設計新穎、合理、結構獨特、重量輕、操作方便、啟閉迅速。
2、由扭矩產生彈性密封。
3、密封部位可調節更換,密封性能可靠等特點。
4、驅動方式渦輪傳動、電動、氣動可選。
【執行標準】
設計規范: GB/T 12238
結構長度: GB/T 12221
法蘭連接: GB/T 9113
試驗與檢驗:GB/T 13927
【性能參數】
| 工作壓力(MPa) | 1.0~1.6 (PN10-PN16) |
| 適用溫度(℃) | ≤180℃ |
| 適用介質 | 空氣、水、蒸氣、煤氣、油品等 |
| 材料 | 閥體 | 鑄鐵 球鐵 碳鋼 不銹鋼 鋁合金 |
| 蝶板 | 鑄鐵 球鐵 碳鋼 不銹鋼 鋁合金 |
| 閥桿 | 2Cr13 F304 F316 |
| 密封面 | 橡膠 NBR EPDM PTFE |
| 填料 | 柔性石墨 PTFE |
【外形尺寸】

聲明:本文中所有文字、數據、圖片均只適用于參考,性能參數、結構尺寸參數、液動蝶閥價格等詳情,請聯系我們,電話:021-59170722!