【閥門用途】
D341H、D341W 型 PN0.5~PN1通風蝶閥在冶金、化工、建材、電站、玻璃等行業中的通風、環保工程的含塵冷風或熱風氣體管道中,作為氣體介質調節流量或切斷裝置。
【閥門特點】
1、通風蝶閥采用中線式碟板與短結構鋼板焊接的結構形式設計制造的,結構緊湊、重量輕、便于安裝、流阻小、流通量大,避免高溫膨脹的影響,操作輕便。
2、通風蝶閥內無連桿、螺栓等、工作可靠、使用壽命長。可以多工位安裝,不受介質流向影響。
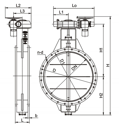
【結構示意圖】

【性能參數】
法蘭連接標準:GB/T9115
公稱壓力:0.1MPa
適用溫度:≤300攝氏度
適用介質:空氣、煙氣
泄漏率:≤1%
閥門主體材料:碳鋼、合金鋼
通風蝶閥電動裝置為一、二級兩級傳動,并可手動操作,可實現現場操作和遠距離集中控制的要求。
【外形和連接尺寸】
| DN | L | D | D1 | b | n-d | H | H1 | H2 | Lo | L1 | L2 | L3 |
| 200 | 140 | 320 | 280 | 16 | 8-17.5 | 917 | 530 | 225 | 300 | 140 | 363 | 223 |
| 250 | 140 | 375 | 335 | 16 | 12-17.5 | 967 | 550 | 250 | 300 | 140 | 363 | 223 |
| 300 | 170 | 440 | 395 | 16 | 12-22 | 1027 | 610 | 280 | 300 | 140 | 363 | 223 |
| 350 | 170 | 490 | 445 | 16 | 12-22 | 1166 | 635 | 320 | 355 | 160 | 460 | 300 |
| 400 | 190 | 540 | 495 | 16 | 16-22 | 1216 | 670 | 345 | 355 | 160 | 460 | 300 |
| 450 | 190 | 595 | 550 | 16 | 16-22 | 1276 | 685 | 375 | 355 | 160 | 460 | 300 |
| 500 | 190 | 645 | 600 | 20 | 20-22 | 1316 | 700 | 395 | 355 | 160 | 460 | 300 |
| 600 | 210 | 755 | 705 | 20 | 20-26 | 1432 | 752 | 466 | 795 | 160 | 684 | 215 |
| 700 | 210 | 860 | 810 | 20 | 24-26 | 1532 | 802 | 516 | 795 | 160 | 684 | 215 |
| 800 | 210 | 975 | 920 | 20 | 24-30 | 1656 | 852 | 580 | 795 | 160 | 684 | 215 |
| 900 | 250 | 1075 | 1020 | 20 | 24-30 | 1756 | 902 | 630 | 795 | 160 | 684 | 215 |
| 1000 | 250 | 1175 | 1120 | 20 | 28-30 | 1878 | 962 | 695 | 880 | 195 | 738 | 290 |
| 1200 | 250 | 1375 | 1320 | 20 | 32-30 | 2070 | 1035 | 795 | 865 | 195 | 738 | 290 |
| 1400 | 300 | 1575 | 1520 | 20 | 36-30 | 2350 | 1195 | 915 | 890 | 250 | 701 | 330 |
| 1600 | 300 | 1790 | 1730 | 24 | 40-30 | 2550 | 1295 | 1015 | 890 | 250 | 701 | 330 |
| 1800 | 300 | 1900 | 1930 | 24 | 44-30 | 2750 | 1395 | 1115 | 890 | 250 | 701 | 330 |
| 2000 | 300 | 2190 | 2130 | 24 | 48-30 | 2950 | 1495 | 1215 | 890 | 250 | 701 | 330 |
| 2200 | 350 | 2405 | 2340 | 24 | 52-33 | 3750 | 1883 | 1642 | 1060 | 303 | 840 | 360 |
| 2400 | 350 | 2605 | 2540 | 24 | 56-33 | 3950 | 1983 | 1742 | 1060 | 303 | 840 | 360 |
| 2600 | 350 | 2805 | 2740 | 28 | 60-36 | 4150 | 2083 | 1842 | 1060 | 303 | 840 | 360 |
| 2800 | 400 | 3030 | 2960 | 28 | 64-36 | 4490 | 2290 | 1980 | 1245 | 385 | 860 | 360 |
| 3000 | 400 | 3230 | 3160 | 28 | 68-36 | 4690 | 2390 | 2080 | 1245 | 385 | 860 | 360 |
| 3200 | 450 | 3430 | 3360 | 32 | 72-36 | 4990 | 2490 | 2135 | 1430 | 468 | 870 | 390 |
| 3400 | 500 | 3630 | 3560 | 32 | 76-36 | 5190 | 2590 | 2235 | 1430 | 468 | 870 | 390 |
| 3600 | 550 | 3840 | 3770 | 32 | 80-36 | 5390 | 2690 | 2335 | 1430 | 468 | 870 | 390 |
| 3800 | 600 | 4045 | 3970 | 34 | 80-39 | 5605 | 2800 | 2440 | 1650 | 468 | 1080 | 450 |
| 4000 | 600 | 4245 | 4170 | 34 | 84-39 | 5805 | 2900 | 2540 | 1650 | 468 | 1080 | 450 |
| 4200 | 600 | 4460 | 4380 | 38 | 88-39 | 6030 | 3000 | 2640 | 1650 | 468 | 1080 | 450 |
| 4500 | 700 | 4800 | 4700 | 40 | 96-39 | 6390 | 3200 | 2800 | 1840 | 510 | 1245 | 510 |
| 4600 | 700 | 4900 | 4800 | 44 | 100-39 | 6780 | 3350 | 2940 | 1840 | 510 | 1245 | 510 |
| 4800 | 800 | 5150 | 5040 | 44 | 104-39 | 7080 | 3450 | 3040 | 1840 | 510 | 1908 | 510 |
| 4850 | 1200 | 5305 | 5200 | 48 | 108-39 | 7760 | 3600 | 3120 | 1900 | 510 | 1908 | 560 |
| 5350 | 1600 | 5800 | 5690 | 50 | 116-39 | 7875 | 3765 | 3730 | 1908 | 560 | 1908 | 780 |
注釋:以上外形尺寸為電動通風蝶閥相關外形尺寸,若欲知其它類型通風蝶閥(比如氣動通風蝶閥、輕型風道蝶閥、自動調節蝶閥、落地傳動通風蝶閥)相關尺寸,可直接聯系廠家!
聲明:本文中所有文字、數據、圖片均只適用于參考,性能參數、結構尺寸參數、通風蝶閥價格等詳情,請聯系我們,電話:021-59170722!